Тонкостенная глубокая торцевая ударная головка с посадочным квадратом 1/2 дюйма и рабочим размером 22 мм предназначена специально для работы на шиномонтажном участке для монтажа и демонтажа крепежа легкосплавных колесных дисков, где недопустимо использование стандартных головок.
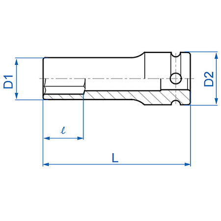
Технические параметры головки King Tony 441522M (см. схему):
D1 = 29,5 мм;
D2 = 30,0 мм;
l = 24 мм;
L = 80 мм.
Изготовленная из специального хромомолибденового стального сплава с финишным нанесением фосфатного покрытия, головка способна выдерживать большие нагрузки работы с ударным гайковёртом. Все торцевые головки серии King Tony 4415M соответствуют жестким требованиям стандарта DIN 3121.
KING TONY TOOLS Co., Ltd
- Слесарный инструмент King Tony - это профессиональный ручной инструмент для ремонта автомобилей, который способен выдерживать высокие нагрузки и ежедневную эксплуатацию.
- На профессиональный слесарный ручной инструмент King Tony предоставляется пожизненная гарантия
- Ознакомиться с условиями пожизненной гарантии на инструмент King Tony вы можете на нашем сайте в разделе Гарантия
изделие в сборе
|
высокое качество
?
|
|
особая прочность
?
|
изделие в сборе
изделие отвечает жестким требованиям международного стандарта DIN 3121
,cлесарный инструмент King Tony - это профессиональный ручной инструмент для ремонта автомобилей, способный выдерживать высокие нагрузки и ежедневную эксплуатацию; на профессиональный слесарный ручной инструмент King Tony предоставляется пожизненная гарантия
Яндекс Сплит