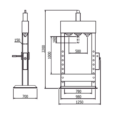
Гидравлический пресс напольного типа с манометром давления, ручным приводом и мобильным поршнем Werther-OMA PR50/PM(658B) для применения в автомобильном сервисе, мастерской, на производственном предприятии.
Конструкцией предусмотрены: V-образный блок, автоматический возврат штока, перемещаемый поперечный стол с лебедкой для его поднятия, защитный клапан, предохраняющий от превышения давления.
 
			
										 
			
			устройство в сборе
комплект насадок*
*дополнительная опция за отдельную плату
| 
								двухскоростной насос
								?							 | 
| 
								предохранительный клапан
								?							 | 
устройство в сборе
комплект насадок*
*дополнительная опция за отдельную плату
гидравлический, с ручным приводом
,срабатывает при перегрузках
Пресс гидравлический ручной — это механическое устройство, которое служит для создания больших усилий на рабочем штоке механизма за счет высокого давления рабочей жидкости, что часто используется для сжатия какого-либо вещества, выжимания жидкости из однородной массы, изменения геометрической формы изделий, подъема или перемещения на определенное расстояние грузов.
 
                                                                     
                                                                     
                         
                         
                                                